产品
卡诺普焊接/搬运专家
始于焊接,不止于焊接
始于焊接,不止于焊接
激光焊专用界面,可控功率、送丝、缓升缓降、提前出光及袁减、粘丝检测、提前抽丝及补丝等。
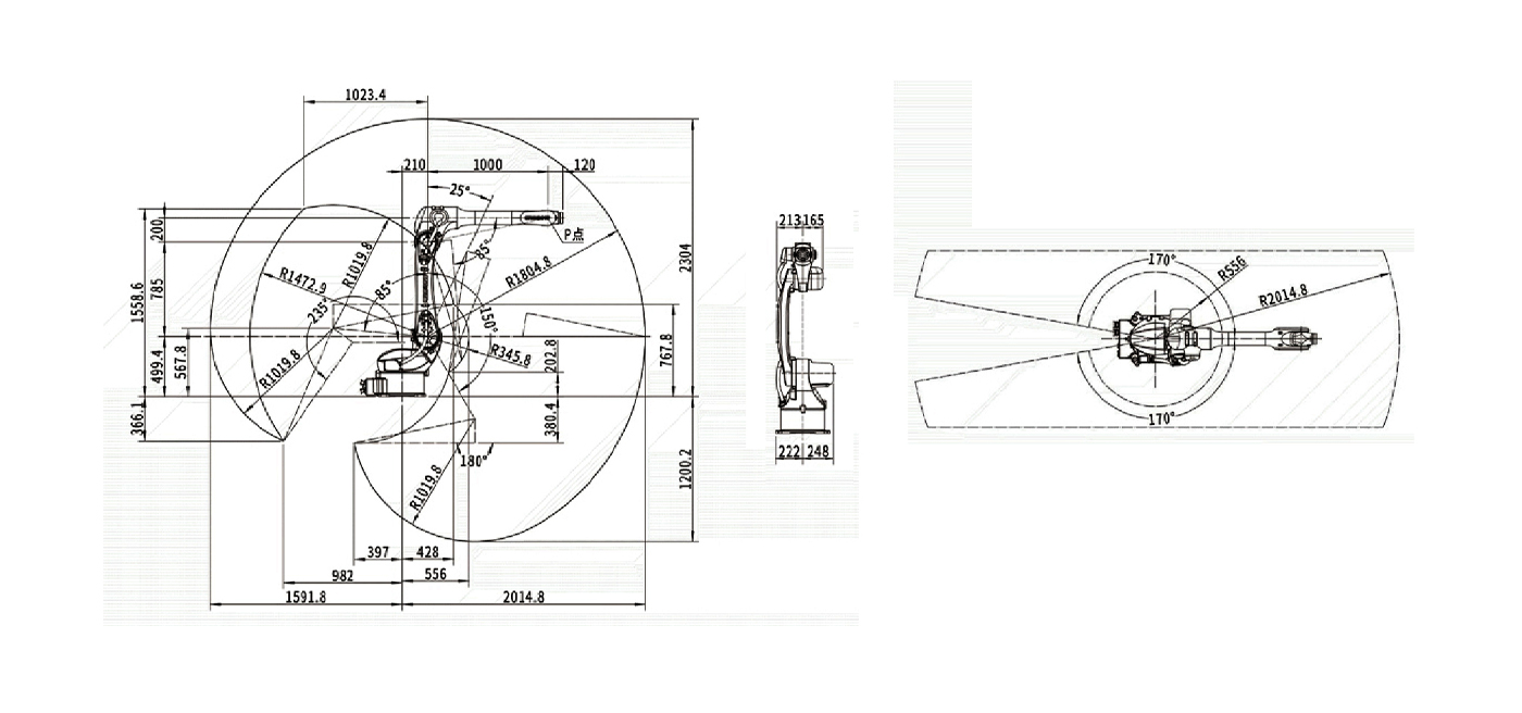
刚性强,高精度,抖动小。
可控制伺服或步进电机送些。
使用E型示教器,机器人编程效率更高。
小电柜,体积小,可集成到激光主机。
单相220V翰入电源,方便快捷接入。
自带UPS,支持断电再生。


