产品
卡诺普焊接/搬运专家
始于焊接,不止于焊接
始于焊接,不止于焊接
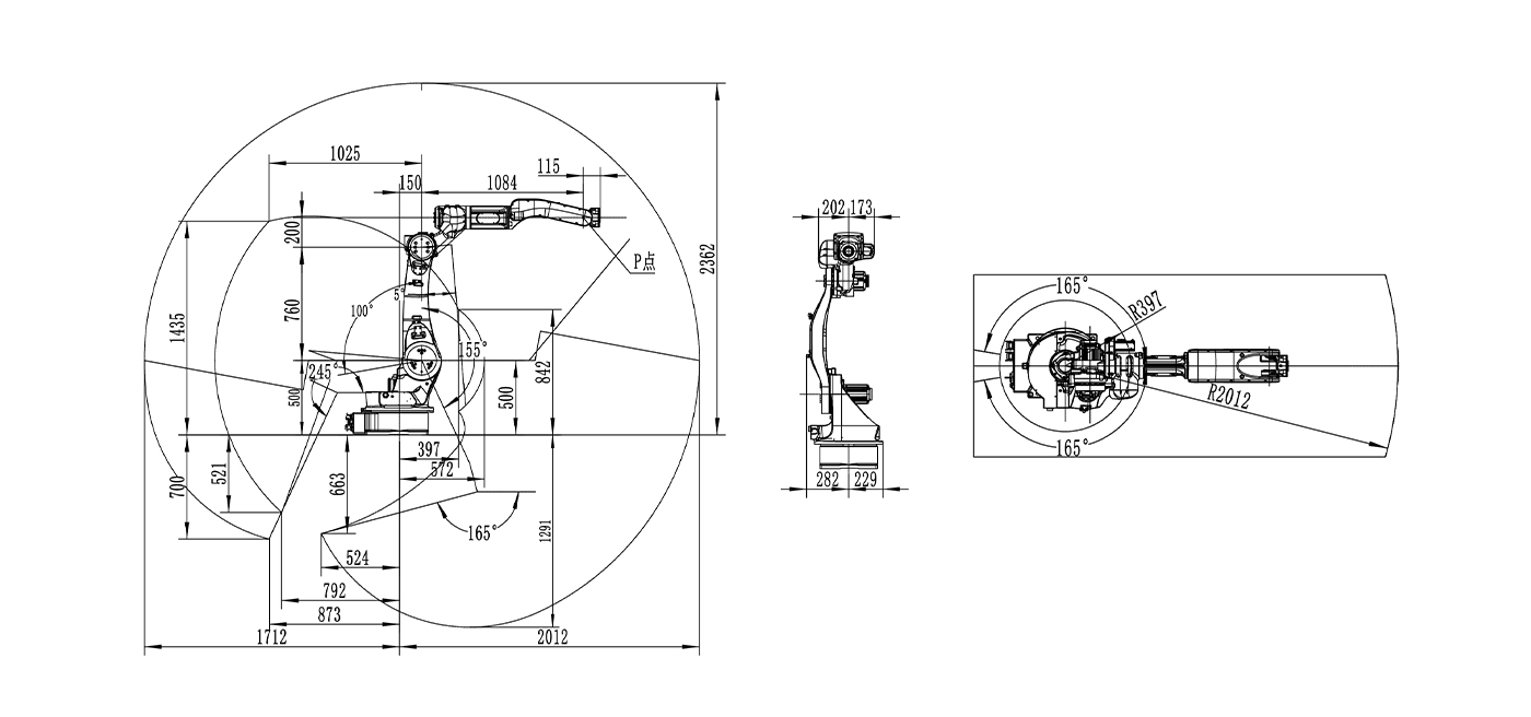
臂展2⽶,设计⾼度紧凑,可灵活选择地⾯安装或倒挂安装。
⼯作空间⼤、运⾏速度快、重复定位精度⾼,适⽤于焊接应⽤,适⽤范围⼴。
配置独⽴于控制系统的安全急停板,采⽤安全继电回路,对外提供双回路急停,确保急停的可靠性。
本体电缆采⽤⾼柔机器⼈专⽤电缆。
内置变压器,380V和220V进⾏隔离,电源更稳定。
内装滤波器,有效改善EMC和EMI性能。
本体提供双回路⽓管,满⾜焊接的需求。
6轴的中孔内径为44mm,可满⾜⽔冷枪、波纹管枪的安装要求。
内置⾼柔焊接电缆。


