产品
卡诺普焊接/搬运专家
始于焊接,不止于焊接
始于焊接,不止于焊接
使⽤⾼速电机,并做软件优化,整体节拍⽐上⼀代快20%。
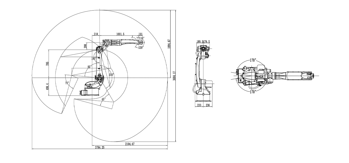
更轻量化,⼩臂尺⼨更⼩,可达性更好。 ·
⾼防护:J1、J2轴加装防尘罩,同时使⽤全包围焊枪。
J4、J6轴中空结构,可使⽤中空焊枪。
内置⽤⼾线、⽓管、焊接电缆,通体流畅,外观整洁。


