产品
卡诺普焊接/搬运专家
始于焊接,不止于焊接
始于焊接,不止于焊接
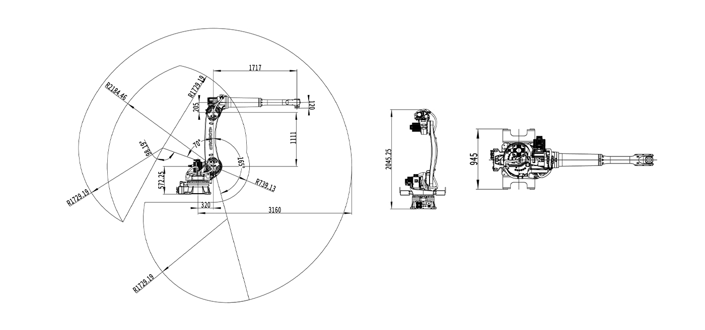
臂展3.2⽶,负载能⼒强,⼯作范围⼤,灵活性强。
运⾏速度快,重复定位精度⾼,适⽤于切割、搬运、焊接等应⽤场景,适⽤范围⼴。
配置独⽴于控制系统的安全急停板,采⽤安全继电器,对外提供双回路急停,确保急停的可靠性。
本体电缆采⽤柔性机器⼈专⽤电缆。
内装三相滤波器,有效改善EMC和EMI性能。
本体提供中Φ10mm双回路⽓管,满⾜外设需求。
通过单悬臂⼩臂结构,减轻终端重量,提升其灵活性,机械⼿、⼯具、⼯件形状的选择性范围得到扩展。
内置电缆、⽓管,通过⼩臂和⼿腕中⼼处设置中空部分,从机器⼈基部到腕部末端内置电缆和⽓管,更⼤地
⽅便了⽤⼾使⽤,提⾼了作业效率。
⾼扩展性,在机器⼈本体上设置有多处⽤⼾⽀架安装平台,便于⽤⼾因定线缆及其相关辅助⼯装冶具。


