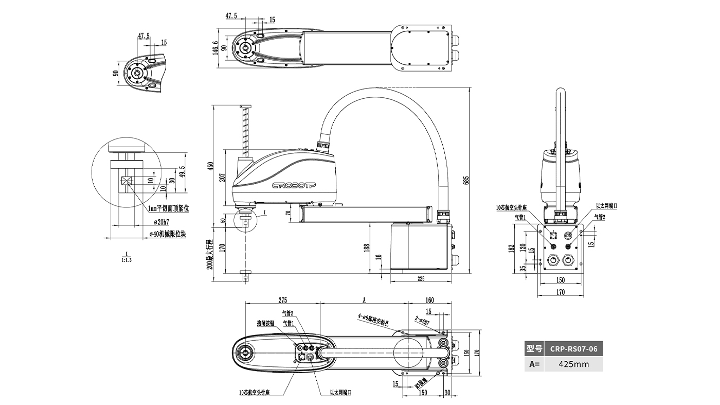
产品
卡诺普焊接/搬运专家
始于焊接,不止于焊接
始于焊接,不止于焊接
⾼速度、⾼精度,⾼稳定性。
⾃适应加速度,提⾼机器⼈寿命,保证任意轨迹加速更合理,运动更⾼效。
⼿臂内置千兆⽹线,便于相机连接。
采⽤⾼速电机,速度更快。
⼤臂采⽤模块化设计,可以满⾜客⼾定制化需求。


